Whether your project is residential, commercial, local, state, or federal, Modern Custom Design, LLC has the expertise to provide all levels of in-house professional engineering design services.
- Civil Engineering
From residential site plan layouts to large and specialty public works projects, we can provide the full spectrum of civil engineering design.
- Geotechnical Engineering
With our expertise in soil conditions, subsurface condition analysis, and both static and heavy dynamic loading scenarios, we can provide geotechnical recommendations for your specific project requirements.
- Water Resources
With a strong background in land and water resources engineering, we can help you both with your water quality and quantity solutions. From the design of pervious pavements and sediment control systems to onsite surface water storage and offsite discharge systems, we work with the client and permitting agencies to ensure that your project meets the surface water requirements for your jurisdiction.
- Utilities
Whether your project requires a simple utility hook-up or the design of a commercial site plan, our knowledge of utility layouts and designs, and experience with working alongside local governing jurisdictions during permitting and construction, we can provide you with the design of your utilities to meet your needs.
- Roadway Design
From temporary construction accesses and driveway connections to new multi-lane highways, we can provide all levels of roadway design and permitting services.
- Airport Design
With a background in both airside and landside airport design, including runway and taxiway design, apron design, airfield pavement inspections and distress analyses, FBO layout, Customs facilities, ARFF stations, wayfinding signs, and security barriers and fencing, as well as with our knowledge of airspace surfaces, we can provide you with designs from private helicopter pads to full-scale airport projects.
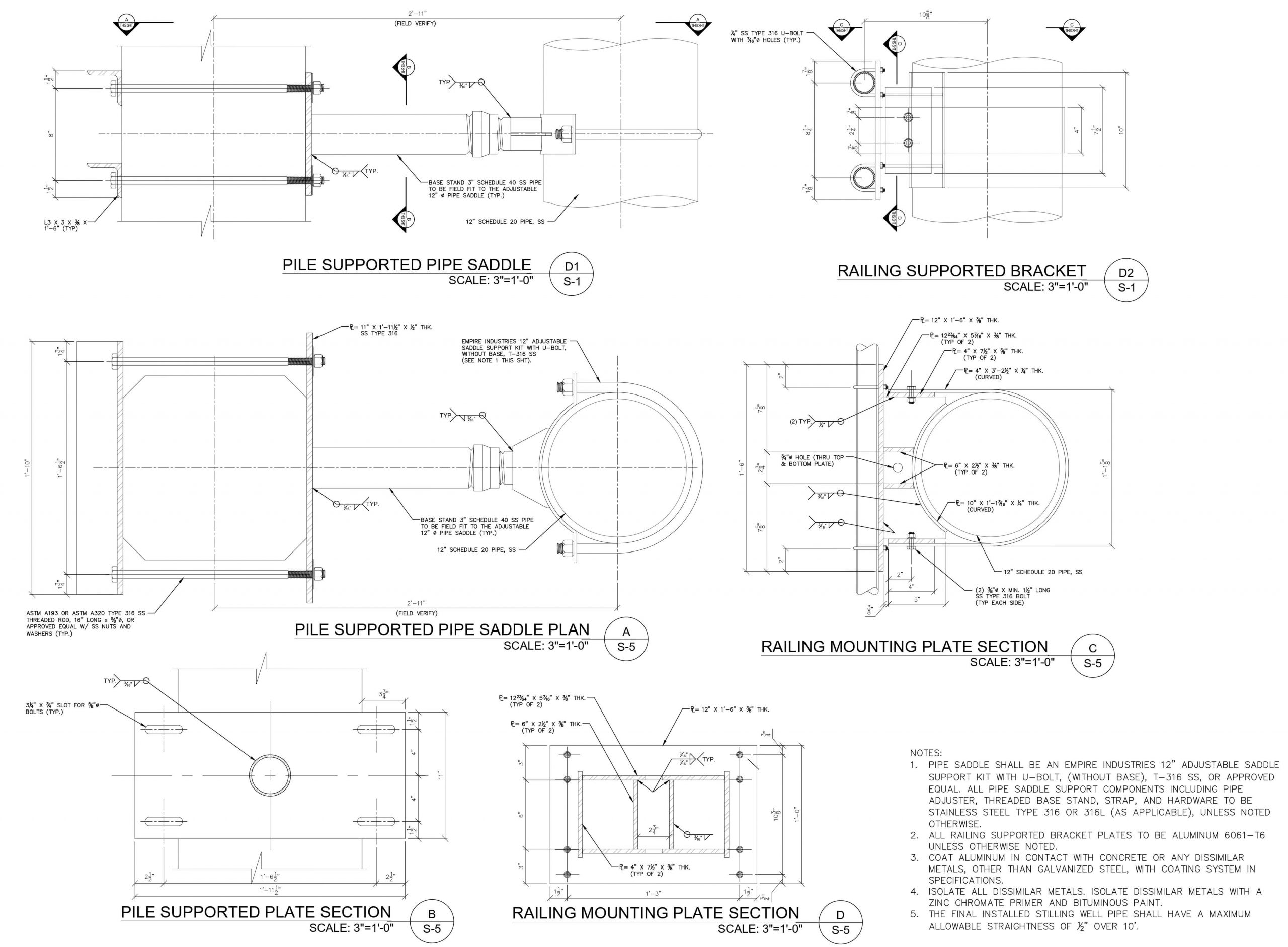
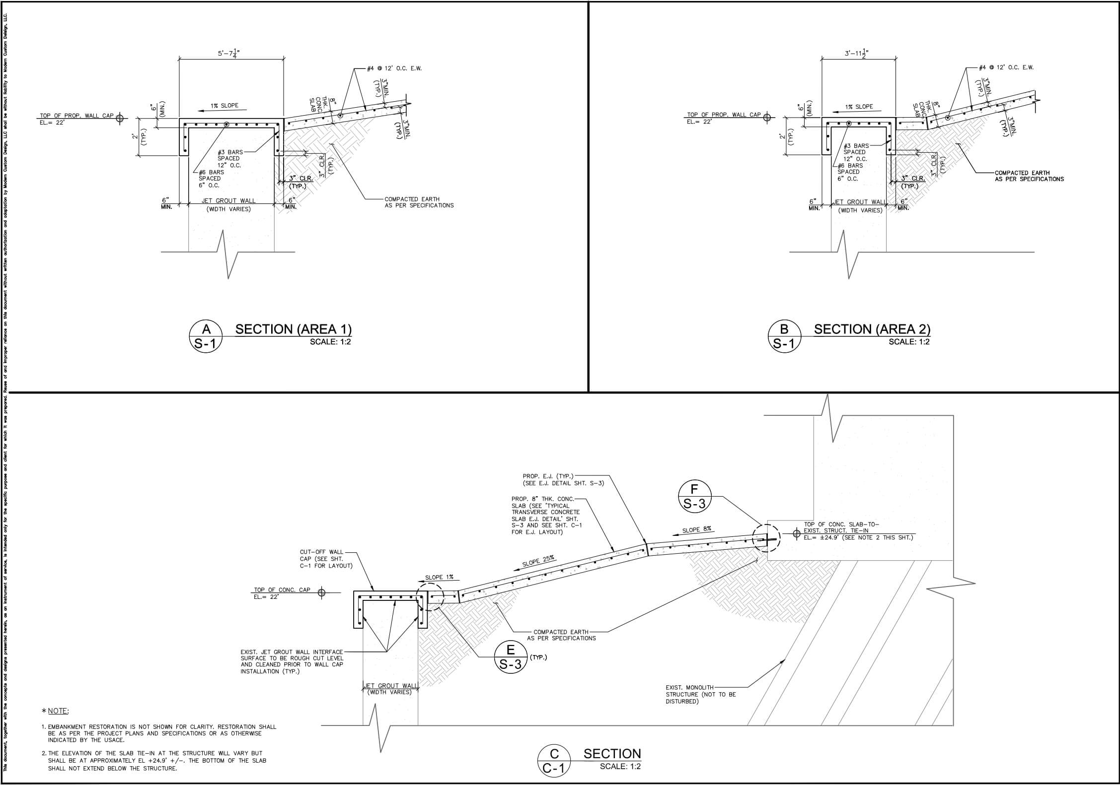
- Structures
Whether you need structural calculations and designs prepared during the design phase or manufacturing shop drawings prepared for construction, we can provide you with your structural engineering needs.







